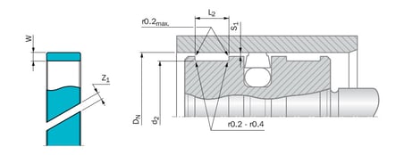
DESCRIPTION:
Trelleborg Orkot® Slydring® C380 prevents metal-to-metal contact between piston / rod and bore / gland, absorbing high transverse loads. Orkot® is a resin-impregnated, fine weave fabric material which is preformed and pre-cut ready to fit. It can withstand high side loads, damping vibrations and embedded foreign particles. Higher static loads are permissible.
OPERATING CONDITIONS:
Size Range: 10 mm to 250 mm
Temperature:- 60 °C to 120 °C
Speed (max): 1 m/s
Carbosteam 6550
Carbosteam
S 6555
G-Spezial 6560
G-Spezial S 6565
Special
Carbon 6540
Uniflex 6588
Unimix Black 7106
Unimix White 7105
Click here to send a message or inquiry
GermanBase GmbH
Am Halberg 10
D-66121 Saarbruecken
Germany
e-mail: info@germanbase.de
Fax: +49 681 950910-9